En az 2 karakter girin. Klavye ok tuşları ile sonuçlarda gezinebilirsiniz.
En az 2 karakter girin. Klavye ok tuşları ile sonuçlarda gezinebilirsiniz.
search
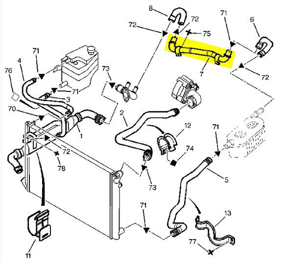
Peugeot marka 406 araçlara Devirdaim Ve Parçaları parçaları. Orijinal ve muadil seçenekler.
Peugeot markası için aradığınız Devirdaim Ve Parçaları parçalarını sorgulayın. Şasi numaranızla veya araç bilgilerinizi girerek tam uyumlu orijinal veya eşdeğer ürünleri karşılaştırabilirsiniz.